添加到电脑桌面
添加到电脑桌面,以后点击桌面图标一键打开,无需搜索,非常快捷!
立即添加
普通会员
限时优惠
登录
首页
文档
资讯
专题
文库
信息管理
信息安全
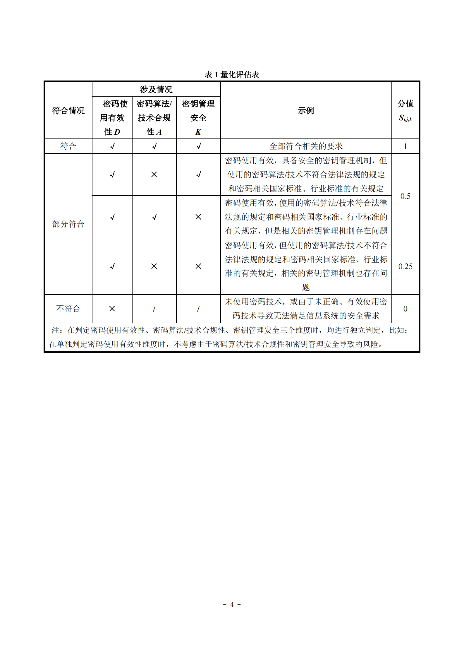
09-测评-商用密码应用安全性评估量化评估规则
PDF
9页
下载2
2023-11-14
浏览4819
收藏0
点赞0
评分-
免费文档
观看下载 (夸克网盘)
收藏
已收藏
喜欢
已喜欢
📱 扫码免费下载
微信扫码打开小程序获取下载链接
文档描述
09-测评-商用密码应用安全性评估量化评估规则
📱 微信扫码打开小程序
点击任意位置关闭
ITIL之家
找方案找资料上ITIL之家
未认证用户
查看用户
该文档于
上传
推荐文档
信息系统安全等级保护三级基本要求_ITIL之家(www.itilzj.com)_.doc
最新文档
00脆弱性评估调查问卷(支撑文档)
信息安全事件应急处理报告
IPPBX通讯系统信息安全风险评估报告
18-信息系统安全威胁报告
信息安全风险评估报告(演示)V3
其他信息安全风险评估报告
版本变更说明
T0004信息安全风险评估技术指导书 V4
T0002信息安全风险评估方案与计划模板v3
T0001信息安风险全评估白皮书V4
R0001信息安全风险评估报告模板V2
00文档排版要求
00风险评估服务
00版本变更说明
中国银保监会监管数据安全管理办法(试行)
医疗卫生机构网络安全管理办法
最新文章
当AI遇上ITIL:别让聪明的技术,变成失控的野马
AI治理在ITIL 5框架中的核心原则:从技术整合到价值驱动的战略转型
探索新版ITIL如何加强协作并实现整体价值创造
管理AI在数字产品开发与服务管理中的风险与回报
ITIL绩效基准模型——衡量数字技术的商业效益
智算中心液冷规模化落地:从技术突破到产业变革的深度解析