添加到电脑桌面
添加到电脑桌面,以后点击桌面图标一键打开,无需搜索,非常快捷!
立即添加
普通会员
限时优惠
登录
首页
文档
资讯
专题
文库
智能制造
制造工艺
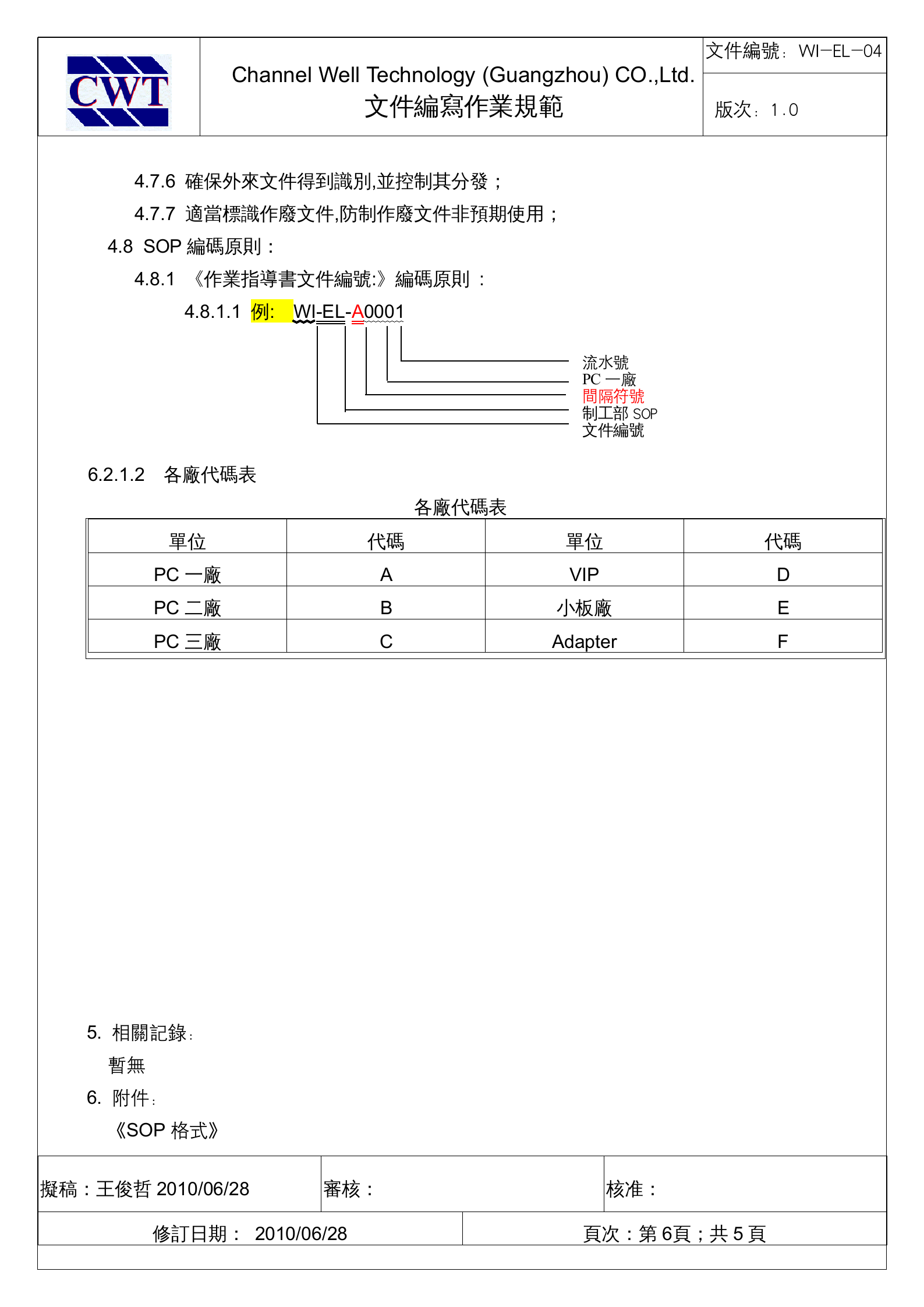
SOP写作标准
制造
DOC
7页
下载0
2022-11-22
浏览1076
收藏0
点赞0
评分-
3积分
观看下载 (夸克网盘)
收藏
已收藏
喜欢
已喜欢
📱 扫码免费下载
微信扫码打开小程序获取下载链接
文档描述
SOP写作标准
📱 微信扫码打开小程序
点击任意位置关闭
五月的雪
这个人很懒,什么都没留下
未认证用户
查看用户
该文档于
上传
推荐文档
ISO9000标准与全面质量管理_ITIL之家(www.itilzj.com)_.PDF
最新文档
作业指导书样板
作业指导书培训课件
作业指导书检讨
作业指导书的运用(中)
作业指导书编写培训课件
现场标准化作业指导书的编制
如何编写作业指导书1
如何编写作业指导书
抛光机作业指导书
基础知识培训-S0P标准操作规程
点焊SOS
标准作业指导书SOP
标准作业指导书(SOP)培训
标准作业程序SOP
标准书
标准化SOP作业文件
最新文章
当AI遇上ITIL:别让聪明的技术,变成失控的野马
AI治理在ITIL 5框架中的核心原则:从技术整合到价值驱动的战略转型
探索新版ITIL如何加强协作并实现整体价值创造
管理AI在数字产品开发与服务管理中的风险与回报
ITIL绩效基准模型——衡量数字技术的商业效益
智算中心液冷规模化落地:从技术突破到产业变革的深度解析