添加到电脑桌面
添加到电脑桌面,以后点击桌面图标一键打开,无需搜索,非常快捷!
立即添加
普通会员
限时优惠
登录
首页
文档
资讯
专题
文库
智能制造
综合
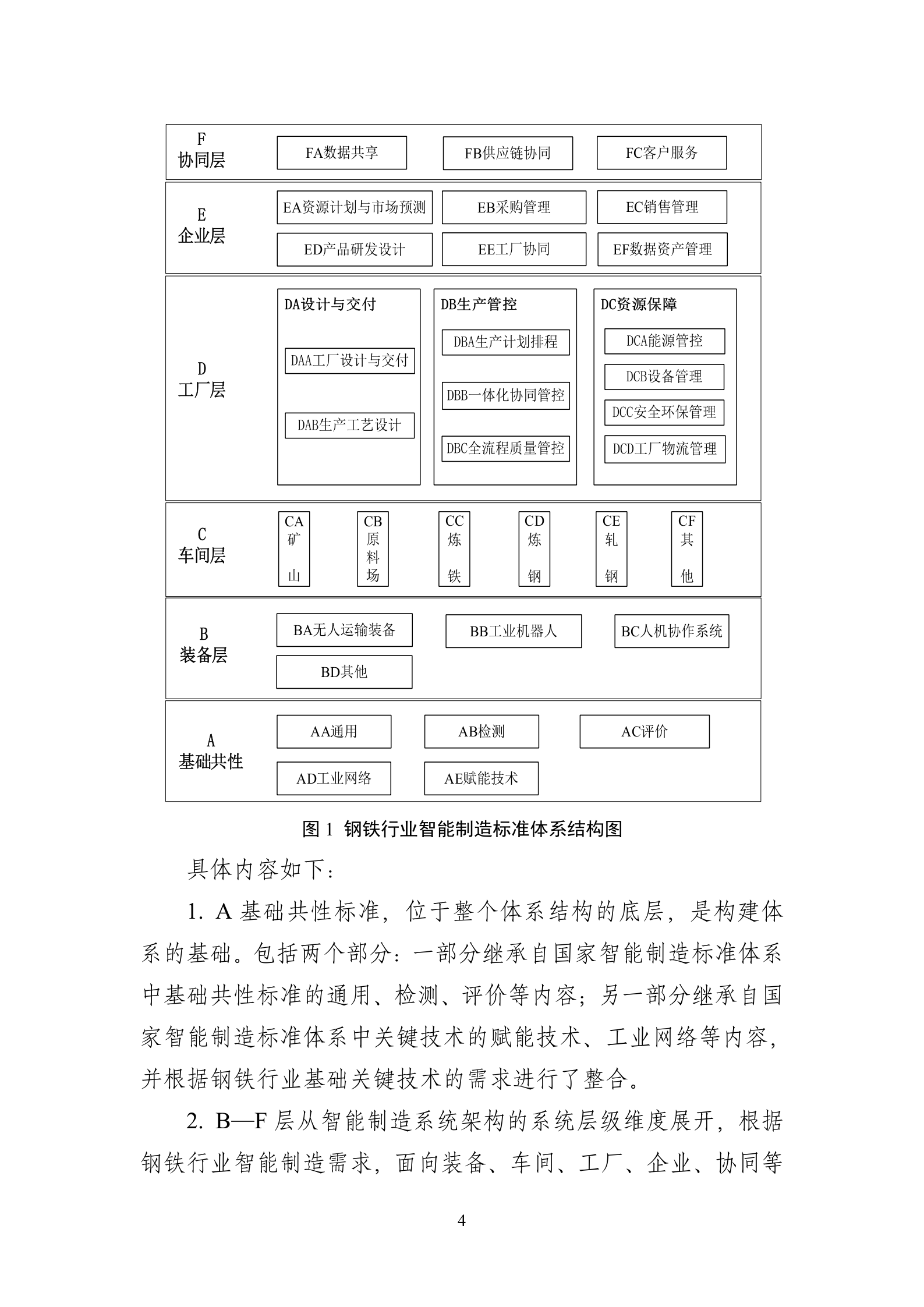
钢铁行业智能制造标准体系建设指南2023
制造
智能制造
DOCX
27页
下载0
2023-08-29
浏览11153
收藏0
点赞0
评分-
1积分
观看下载 (夸克网盘)
温馨提示:当前文档最多只能预览 15 页,若文档总页数超出了 10 页,请下载原文档以浏览全部内容。
剩余12页未读,
下载浏览全部
收藏
已收藏
喜欢
已喜欢
📱 扫码免费下载
微信扫码打开小程序获取下载链接
文档描述
钢铁行业智能制造标准体系建设指南2023
📱 微信扫码打开小程序
点击任意位置关闭
用户 5729
这个人很懒,什么都没留下
未认证用户
查看用户
该文档于
上传
推荐文档
最新文档
对智能制造的一些认识
钢铁行业智能制造标准体系建设指南2023
十四五智能制造发展规划(正文)
十四五智能制造发展规划(解读)
装配生产线制造执行系统MES
中国制造2025与工业4.0介绍
智慧制造解决方案
智慧工厂的支撑系统MES开发与实践
制造执行系统MES及应用_Pg340
制药MES PPT - 制剂
云内MES项目介绍v0.2
用于微波电路模块生产线信息化管理的MES系统
用友优普整车行业信息化解决方案(详细版参考)
易往信息汽车行业MES解决方案
易往信息汽车零部件行业解决方案201503
易往信息EW质量管理系统解决方案
最新文章
当AI遇上ITIL:别让聪明的技术,变成失控的野马
AI治理在ITIL 5框架中的核心原则:从技术整合到价值驱动的战略转型
探索新版ITIL如何加强协作并实现整体价值创造
管理AI在数字产品开发与服务管理中的风险与回报
ITIL绩效基准模型——衡量数字技术的商业效益
智算中心液冷规模化落地:从技术突破到产业变革的深度解析